詳細介紹
產品用途 性能規范
主要零件材質
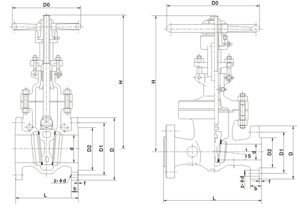
產品尺寸
| ||||||||||||||||||||||||||||||||||||||||||||||||||||||||||||||||||||||||||||||||||||||||||||||||||||||
溫馨提示:“法蘭連接API鑄鋼閘閥”所有文字、數據、圖片均只適用于參考。
如需與實物相吻合的性能參數、結構尺寸參數等詳情請來電來函索取。
電話:021-68103333 傳真:021-51686322
如需與實物相吻合的性能參數、結構尺寸參數等詳情請來電來函索取。
電話:021-68103333 傳真:021-51686322

產品用途 性能規范
主要零件材質
產品尺寸
| ||||||||||||||||||||||||||||||||||||||||||||||||||||||||||||||||||||||||||||||||||||||||||||||||||||||

輸入手機或固定電話號碼,點擊“免費咨詢”按鈕后,
我們的服務人員會在15秒內回撥您。